Jet Diffusers
Introduction
Jet Diffusers – Eyeball Type (JD-EBT)
ALUGRIDX Jet Diffusers (Eyeball Type) are designed to provide ventilation in places where distribution of air through ceiling diffusers is difficult, supplying both cool and heated air in buildings and structures with large areas.
Developed for large and high areas, such as airports, shopping centers, show centers, theaters, etc.
Ensures a long throw (25 m) at high outlet velocities.
Used for cooling/heating, with the characteristic of orientation.
Manufactured from high-quality aluminum sheets.
Available Finish
Powder coated color finish
Galvanized sheet steel frame
Available Accessories
Butterfly Damper in plastic or steel (manual control)
Radial shaped Damper (screw control)
Mounting & Rotation
Ceiling or wall mounting by screws or connected into a circular duct
Manual rotation or by motor control
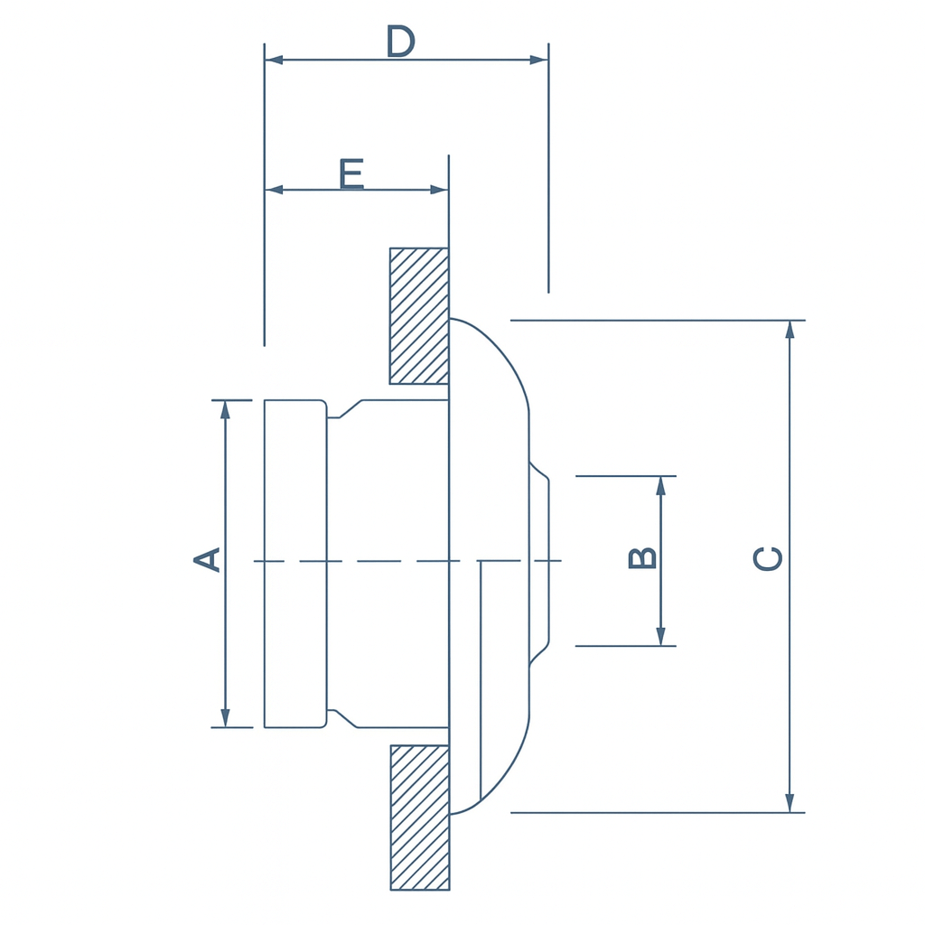
Dimensional Data
Size (mm) | A | B | C | D | E |
|---|---|---|---|---|---|
125 | 120 | 61 | 172 | 96 | 72 |
150 | 145 | 75 | 200 | 113 | 83 |
160 | 155 | 75 | 200 | 113 | 83 |
200 | 195 | 105 | 265 | 142 | 107 |
250 | 245 | 128 | 314 | 179 | 135 |
315 | 310 | 165 | 390 | 230 | 174 |
350 | 345 | 185 | 433 | 251 | 186 |
400 | 395 | 210 | 495 | 285 | 218 |
450 | 445 | 235 | 559 | 316 | 235 |
500 | 495 | 256 | 618 | 350 | 259 |
630 | 625 | 323 | 779 | 440 |
Size (mm) | A | B | C | D |
|---|---|---|---|---|
160 | 145 | 80 | 115 | 160 |
200 | 195 | 100 | 160 | 220 |
250 | 245 | 125 | 215 | 260 |
315 | 310 | 162 | 255 | 320 |
400 | 395 | 200 | 345 | 410 |
Jet Diffusers – Ring Type (JD-RT)
Standard Sizes
(Contains diagram with ØA and ØB dimensions)
Model | B (mm) | A (mm) |
|---|---|---|
JD-RT150 | 148 | 200 |
JD-RT200 | 198 | 250 |
JD-RT250 | 248 | 300 |
JD-RT300 | 298 | 350 |
JD-RT350 | 348 | 400 |
JD-RT400 | 398 | 460 |
Characteristics
-
360° – 4 way adjustable
-
Metal slide damper as optional
-
Aluminum
-
RAL 9016 / 9010 white as standard